JLD 5740 AC/DC Ammeter motor monitor

Post Reply
othonart
Posts: 2
Joined: Mon Sep 20, 2010 2:21 pm
Contact:

JLD 5740 AC/DC Ammeter motor monitor

Post by othonart »

I have a JLD 5740 AC/DC Ammeter that I am tiring to use to monitor a 220 volt 2 hp electric motor. I want to use the Ammeter to turn off the motor if the amps go higher than the set limit. The motor will have a magnetic contactor which uses 110 voltage to engage the 220 power. When the Ammeter shuts the power down I want it to stay off until I can inspect the motor to see why the amps spiked. Also I do not want the Ammeter to shut the power down when the power spikes at start up. I am tiring to detect when the machines starts to bind up and shut them down until they can be inspected
Tech_Marco
Posts: 4654
Joined: Mon Jun 15, 2009 3:00 pm
Contact:

Re: JLD 5740 AC/DC Ammeter motor monitor

Post by Tech_Marco »

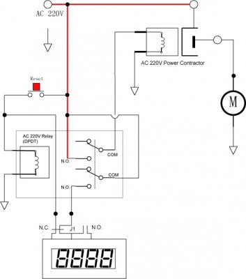
The meter itself is incapable to handle the work you're expecting as it only provide On and Off when over-current or under-current occurs. In your case, you need an external relay with 2T2P a reset switch to do the job. I'll post a diagram here after I finish the drawing. I shouldn't do it as it's out of scope of the topic and I'm not an expert. But I got to make it clear though, it's just a suggestion and I'm not responsible for any damage that may cause by doing so.
othonart
Posts: 2
Joined: Mon Sep 20, 2010 2:21 pm
Contact:

Re: JLD 5740 AC/DC Ammeter motor monitor

Post by othonart »

Thanks Marco
Tech_Marco
Posts: 4654
Joined: Mon Jun 15, 2009 3:00 pm
Contact:

Re: JLD 5740 AC/DC Ammeter motor monitor

Post by Tech_Marco »

Bob, do you understand SCR? There are two simple way to do it: 2P2T relay with self latching or using the self latchng characteristic.

Case 1: need a 2P2T (2 pole, 2 throw) relay + 1 N.O. push button
(note: the relay can be used AC or DC type)

Case 2: need a 1P1T relay and a small current SCR + 1 N.C. push button
(note: the relay and the SCR must be used DC to operate)
Tech_Marco
Posts: 4654
Joined: Mon Jun 15, 2009 3:00 pm
Contact:

Re: JLD 5740 AC/DC Ammeter motor monitor

Post by Tech_Marco »

You need a DPDT AC 220V relay in this case. Once the high ceiling current met, the J1 relay latched and N.C. (normally closed contact) broke out and it cut the power of the DPDT relay. It turns out that it will also cut the power for the power contractor and stop the motor. To reset it, you need to press the REST button to get power for the 'self latching power' relay.

You need to be careful not to mixed up the N.O. and N.C., Do it slowly and double check. You're dealing with AC220V so with extra caution. I don't want to lose a customer here :mrgreen:

Next time, I'll charge consulting fee or at least buy me a cup of cappcucino and a piece of cheese cake for my hard work :lol:

Have fun!

Marco
Attachments
Latching-Relay.JPG
Post Reply

Return to “Digital/ Analog Meter”

Who is online

Users browsing this forum: No registered users and 1 guest