Page 1 of 1
X7 DSP Build log
Posted: Sun Mar 22, 2015 8:55 am
by bonnette_l@yahoo.com
The attached PDF file is a log of the steps I completed to upgrade my K40 using the X7 DSP from LightObject.
I hope this inspires other to do the same. I had a good time doing it.
Larry
Re: X7 DSP Build log
Posted: Sun Mar 22, 2015 9:00 am
by bonnette_l@yahoo.com
Here is the plan in CorelDraw 14 format of the front panel.
Larry
Re: X7 DSP Build log
Posted: Mon Mar 23, 2015 8:22 am
by Masao
Very nice build log!
Regarding making XY limit switches to work with existing hall effect sensors, here are several things that you can try.
1) try adding pullup resistors (e.g. 10K ohm) to the sensor output and 5V. Sometimes the logic input circuit requires external pullup so that it will be at high voltage level when open and not floating around.
2) if that doesn't work, try interfacing with relay. See attached images.

- relay driver circuit.gif (3.35 KiB) Viewed 3894 times
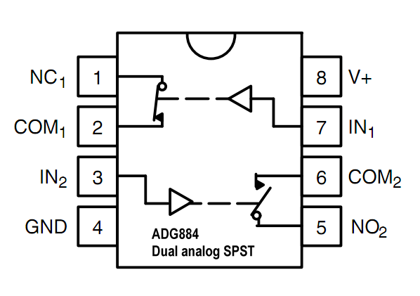
3) alternatively try using dual analog SPST switches like ADG884 or simillar. Google for analog switch IC

- ADG884 dual SPST analog switch.png (27.89 KiB) Viewed 3894 times
4) and also solid state switch like PlA110 or similar. Google for solid state switch IC

- PLA110 solid state relay.jpg (30.15 KiB) Viewed 3894 times
Re: X7 DSP Build log
Posted: Thu Mar 26, 2015 2:29 pm
by bonnette_l@yahoo.com
Thanks for the comments. I will try a pull up resistor.
If that fails I think I like the ADG884 option.
Thank You
Larry