3 axis controller questions
-
Bossman
- Posts: 8
- Joined: Mon Feb 22, 2010 7:19 pm
- Contact:
3 axis controller questions
I found the PDF on how to wire it up, but I have a couple question.
1. It shows the current adjustment dip-switches, but not how to set them
2. How does the 4th axis expansion work? I have a couple single axis controller cards I was hoping would work for a slave axis and used with this board.
1. It shows the current adjustment dip-switches, but not how to set them
2. How does the 4th axis expansion work? I have a couple single axis controller cards I was hoping would work for a slave axis and used with this board.
-
Tech_Marco
- Posts: 4658
- Joined: Mon Jun 15, 2009 3:00 pm
- Contact:
Re: 3 axis controller questions
Current setting info added, please download the update manual.
I'll get the information for how to setup the 4th axis later
I'll get the information for how to setup the 4th axis later
-
Bossman
- Posts: 8
- Joined: Mon Feb 22, 2010 7:19 pm
- Contact:
Re: 3 axis controller questions
Any luck on the 4th axis?Tech_Marco wrote:Current setting info added, please download the update manual.
I'll get the information for how to setup the 4th axis later
Should I just extend the outputs to the inputs on the corresponding card? Would I use pin 8,9 in Mach 3 to setup Axis A as slave?
Also I was wondering if I should make axis Z the extra card so that X and slave A are controlled by the same style micro-chips on your board.
-
Tech_Marco
- Posts: 4658
- Joined: Mon Jun 15, 2009 3:00 pm
- Contact:
Re: 3 axis controller questions
Should have that info soon as a request for connection diagram has made
For sure the single channel board (slave) must be have Direction and Step input instead of a parallel port
Will post it once I got the connection diagram
For sure the single channel board (slave) must be have Direction and Step input instead of a parallel port
Will post it once I got the connection diagram
-
Bossman
- Posts: 8
- Joined: Mon Feb 22, 2010 7:19 pm
- Contact:
Re: 3 axis controller questions
Just checking in to see if you've had any luck.
-
Tech_Marco
- Posts: 4658
- Joined: Mon Jun 15, 2009 3:00 pm
- Contact:
Re: 3 axis controller questions
Yes I got it. I need to prepare it before posting it on here. The first version of the 3axis board got a small issue on the 5V power for the 4th axis expansion. But it's not a major. I'll post it tonight. I'm working on the DSP controller. It's a little pack here
-
Bossman
- Posts: 8
- Joined: Mon Feb 22, 2010 7:19 pm
- Contact:
Re: 3 axis controller questions
Tech_Marco wrote:Yes I got it. I need to prepare it before posting it on here. The first version of the 3axis board got a small issue on the 5V power for the 4th axis expansion. But it's not a major. I'll post it tonight. I'm working on the DSP controller. It's a little pack here
Any progress?
-
Tech_Marco
- Posts: 4658
- Joined: Mon Jun 15, 2009 3:00 pm
- Contact:
Re: 3 axis controller questions
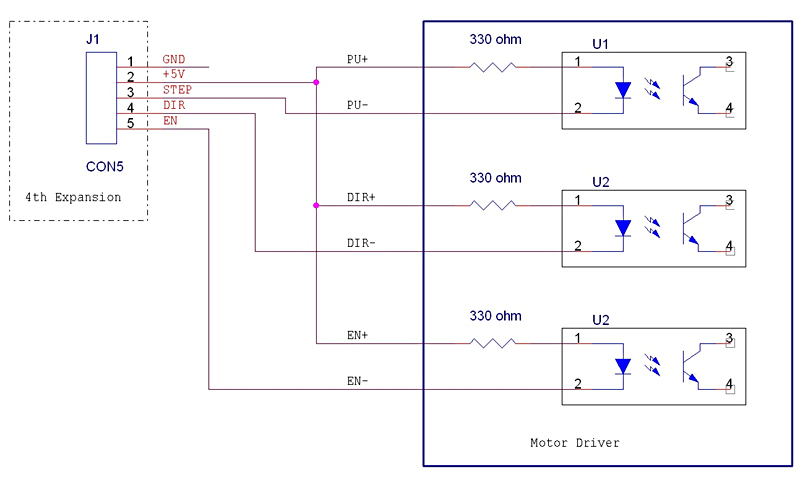
See the pdf file
-
Bossman
- Posts: 8
- Joined: Mon Feb 22, 2010 7:19 pm
- Contact:
Re: 3 axis controller questions
Thanks for the hard work, Marco.
I'm not tech savvy enough to know exactly what is going on. I was hoping to use this board which I already have as a 4th axis.
http://www.routoutcnc.com/singlesmall.html
It doesn't need 5v that I can find. For outputs 8,9.. do they correspond to the 4th axis output?
Also, what are the specs on the relay output? amps, how is it triggered.. that sort of stuff.
I'm not tech savvy enough to know exactly what is going on. I was hoping to use this board which I already have as a 4th axis.
http://www.routoutcnc.com/singlesmall.html
It doesn't need 5v that I can find. For outputs 8,9.. do they correspond to the 4th axis output?
Also, what are the specs on the relay output? amps, how is it triggered.. that sort of stuff.
-
Tech_Marco
- Posts: 4658
- Joined: Mon Jun 15, 2009 3:00 pm
- Contact:
Re: 3 axis controller questions
It's pretty straight forward. Just map the pin from our controller to your board. That's all you need to do! You don't have to use the +5V. "Direct" to "DIR", "Step" to Step, "Enable" to EN
If you can't handle this, then you better ask someone to do it for you.
If you can't handle this, then you better ask someone to do it for you.
-
Bossman
- Posts: 8
- Joined: Mon Feb 22, 2010 7:19 pm
- Contact:
Re: 3 axis controller questions
LOL.. thanks, Marco.
Also, what is the relay for on the board? What voltage, what triggers it.. that sort of stuff.
Also, what is the relay for on the board? What voltage, what triggers it.. that sort of stuff.
-
Tech_Marco
- Posts: 4658
- Joined: Mon Jun 15, 2009 3:00 pm
- Contact:
Re: 3 axis controller questions
You need to study more Mach3, KCam, or EMC2. It's all controllable by those application.
-
Bossman
- Posts: 8
- Joined: Mon Feb 22, 2010 7:19 pm
- Contact:
Re: 3 axis controller questions
Your labeling of how the motor stepping dip switches work is wrong, at least in my case it is.
I can not get the "4th" axis to work. Is there a way to test those pinouts to make sure they are what you say they are? I'm using pin outputs 8,9
I can not get the "4th" axis to work. Is there a way to test those pinouts to make sure they are what you say they are? I'm using pin outputs 8,9
-
Tech_Marco
- Posts: 4658
- Joined: Mon Jun 15, 2009 3:00 pm
- Contact:
Re: 3 axis controller questions
Which card do you have and what part of dip switch lable wrong? You can use a digital voltmeter or a oscillioscope to check the output from the 4th output
-
Bossman
- Posts: 8
- Joined: Mon Feb 22, 2010 7:19 pm
- Contact:
Re: 3 axis controller questions
I think I found a solution to the problem.
I'm going to buy an actual 4 axis controller board, because I believe nobody actually tested the so called "expansion" ports on this one.
I'm going to buy an actual 4 axis controller board, because I believe nobody actually tested the so called "expansion" ports on this one.
Who is online
Users browsing this forum: No registered users and 8 guests