Mini rotary
-
scottbgv
- Posts: 38
- Joined: Wed Aug 06, 2014 1:34 pm
- Contact:
Mini rotary
What is the wiring for the mini rotary.
-
Tech_Marco
- Posts: 4658
- Joined: Mon Jun 15, 2009 3:00 pm
- Contact:
-
scottbgv
- Posts: 38
- Joined: Wed Aug 06, 2014 1:34 pm
- Contact:
Re: Mini rotary
I just want to know what wires to hook up and in what order.
-
Tech_Marco
- Posts: 4658
- Joined: Mon Jun 15, 2009 3:00 pm
- Contact:
Re: Mini rotary
If you doenload the PDF file, it show you the connection of a motor and the motor driver.. It is the same as connection to the X or Y axis. Just ignore the motor controller and hook it up to the DSP instead
Marco
Marco
-
scottbgv
- Posts: 38
- Joined: Wed Aug 06, 2014 1:34 pm
- Contact:
Re: Mini rotary
Thank you i seen it that time!
-
scottbgv
- Posts: 38
- Joined: Wed Aug 06, 2014 1:34 pm
- Contact:
Re: Mini rotary
i hooked it up to my m415b stepper control and did not get any movement. do i have to use that stepper control?
-
Tech_Marco
- Posts: 4658
- Joined: Mon Jun 15, 2009 3:00 pm
- Contact:
Re: Mini rotary
Did you use the DSP to control movement? You need either the DSP or a motor controller board. As I said, it is exactly like driving the X or Y axis
Marco
Marco
-
Techgraphix
- Posts: 492
- Joined: Fri Jan 20, 2012 1:39 pm
- Location: Appelscha, the Netherlands
- Contact:
Re: Mini rotary
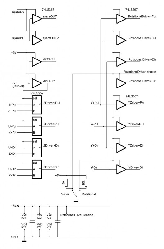
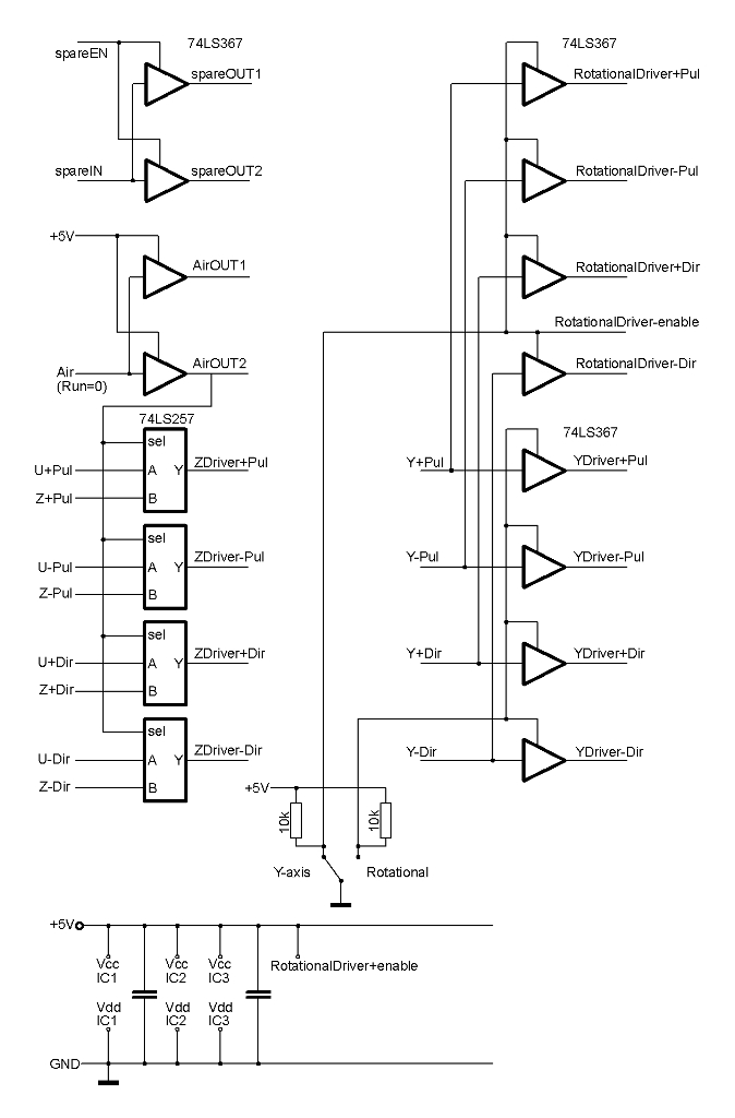
Maybe of any interest: i have a fourth stepperdriver which is normaly in disabled so i can dis/connect my rotary while the machine is on. With a switch near that connector, i enable that drive, make the Y-drive doesn't receive pulses anymore (dir/step) and make a led on the front turn from blue to red..
the advantage of keeping the Y-drive alive is that the bridge is hold into place because the motor is still powered.
I used a small piece of TTL-Logic to do that all for me. It also switches the Z to U while the job is running so i can raise the table in steps when i want to do a multi-pass..
Kees
the advantage of keeping the Y-drive alive is that the bridge is hold into place because the motor is still powered.
I used a small piece of TTL-Logic to do that all for me. It also switches the Z to U while the job is running so i can raise the table in steps when i want to do a multi-pass..
Kees
-
scottbgv
- Posts: 38
- Joined: Wed Aug 06, 2014 1:34 pm
- Contact:
Re: Mini rotary
I unplugged one of the axis and plugged the mini into it and turned the laser on. when the head was homing both the mini and the laser head should of moved. i hit the end stop switch my self to say it was homed it set to a origin. then i played with the control on the dsp which should of moved the mini's motor. i had no movement at all.
it probably dont help that the new dsp never completely set to english. Only part that is english is the program on the computer. the dsp itself is still unreadable.
it probably dont help that the new dsp never completely set to english. Only part that is english is the program on the computer. the dsp itself is still unreadable.
-
scottbgv
- Posts: 38
- Joined: Wed Aug 06, 2014 1:34 pm
- Contact:
Re: Mini rotary
ok i need help i need the new dsp i got from you guys to be in english. i have uninstalled and reinstalled it on widows 8 a few times never got it to work.then i got the old laptop out and installed it there. I got the program in english on the lap top but never got the dsp into english.
we can worry about the mini next
we can worry about the mini next
-
Tech_Marco
- Posts: 4658
- Joined: Mon Jun 15, 2009 3:00 pm
- Contact:
Re: Mini rotary
Press "Menu" on the LCD unit. Scroll down to the 2nd of the last and it should be language setting
It should be mentioned on the AWC608 manual
Marco
It should be mentioned on the AWC608 manual
Marco
-
scottbgv
- Posts: 38
- Joined: Wed Aug 06, 2014 1:34 pm
- Contact:
Re: Mini rotary
Thank you so much!!!! that is great!!! any way you can point me into the right direction on the mini?
would it be best to buy a separate driver? which do you recommended?
would it be best to buy a separate driver? which do you recommended?
-
Techgraphix
- Posts: 492
- Joined: Fri Jan 20, 2012 1:39 pm
- Location: Appelscha, the Netherlands
- Contact:
-
scottbgv
- Posts: 38
- Joined: Wed Aug 06, 2014 1:34 pm
- Contact:
Re: Mini rotary
awesome! but i dont understand any of that. i am not good on wiring or reading the diagrams i admit that . i really learn from watching i am sorry
so do i need this to make the mini work?
so do i need this to make the mini work?
-
Tech_Marco
- Posts: 4658
- Joined: Mon Jun 15, 2009 3:00 pm
- Contact:
Re: Mini rotary
I will this board for the mini-Z
Using DSP is OK but it is not convenience as using an external board.
http://www.lightobject.com/Stepping-mot ... -P729.aspx
Marco
Using DSP is OK but it is not convenience as using an external board.
http://www.lightobject.com/Stepping-mot ... -P729.aspx
Marco
Who is online
Users browsing this forum: No registered users and 29 guests