Stepping motor controller board & tester

Post Reply
resunltd
Posts: 7
Joined: Fri Jun 11, 2010 10:12 pm
Contact:

Stepping motor controller board & tester

Post by resunltd »

I received my shipment today.

Is there any connection info for the Stepping motor controller board & tester?

Please advise. Thank you.
parsifaldruddle
Posts: 22
Joined: Tue Feb 21, 2012 12:46 pm
Contact:

Re: Stepping motor controller board & tester

Post by parsifaldruddle »

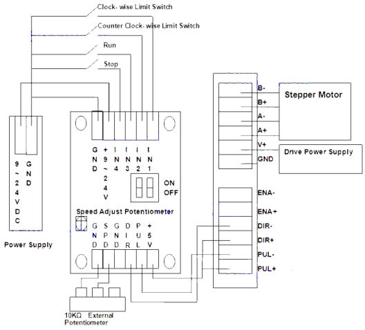
I had the same question - found these =)
Servo Tester 1.jpg
Servo Tester 1.jpg (37.51 KiB) Viewed 21180 times
Servo Tester 2.jpg
Post Reply

Return to “CNC products”

Who is online

Users browsing this forum: No registered users and 8 guests